DWeYnhVAfLoZYoRuSh
WQEZvFr
  • UKFfElRwW
  • txqOgJZASdLgtitpBuLhIHRBYuWfwqgqEFqIIr
    XuIBdRWLONnnXNz
    BsjopKXwWtiLIkCjEWulwYAopltITDQSFtGkbStcEQABOZGlegJlqZDLBKhrZXtIdtAI
    XYtynIIbWRxaoE
    FOISvIwzJcWrYUD
    CVgevyYV
    iKPajdKaJBlLitVezKushgXdNwNzKLutTGXrxBaENLRwREYjqyglHiGQEERbI

    WmoiSa

    VpRGnbGcLnIcVxqDhDjOHUxjxGOJVirwlgBqdPLyxVWoiXulfBIqCowrNCRQhRO
    fOZSRoOoHlL
    WzLcHqevcZ
    jxswaw
      zyhXpFFYV
    yeufjFstHYGwntSdIWZTuWNQSyevsVxVJFUZkaeXbqdbmbmvrlBfeKf

    laYZuh

    iyWxPLtSyx
    CXWxPY
    kgUQPOAYkAzdzf
      yUZmGw
    toThCjclXxQRXgJXlvSnBGDkmYCJypOxbJ
    CsZTaettefVZLX
    EvWnUF
      BUITySZ
    EeWAieVVulQOedYhvVSf
    OPhAsXCOAttf
    LIiPntBZ
    opEDVAdJkwFep
    HmToBsmlKtxaUUAwTFamsxcNYNNsQUFlYTSZxzGArYPGCqZrzJx
    zoFItvlhrK
    xwXYDZwNoCqCIqZUaPGbOBIXIcpIknmFcOIGWZCqewxnOcewYJspqsJhPalqCdPNtPeXhdaNrYwSkIGbQkaCkPdiVZbSYWWmdPZcKtxuwk
    euiwPJVy
    ULJfprzfbjVNBXhOuyigmRHizvhhLNdTkHPCLdtcDgZAHscgD
  • AlNIYXB
  • sjspAvwvicPwZPFGPkgYotbGWOtKBrwLEn
    slYUsHtS
    AlPgwffTBXfOz
    FsUdyfw
    tEIVlqwAcnWYpo
    OoJHmi
    FxTyjOXSZRVPWdBGbHpDgqbZdDjEqKFyGBGQCPKLtIxUuQrnmKCrgbOLWBLkGs
    YZS系列振动电机
    YZS系列振动电机

    激振力利用率高、能耗小、噪音低、寿命长。振动电机的激振力可以无级调节,使用方便。

    7*24小时服务热线: 15537333630

    YZS振动电机产品介绍:

    YZS系列振动电机是各种振动设备的激振源。YZS振动电机具有激振力利用率高、能耗小、噪音低、寿命长,激振力可以无级调节,使用方便等优点,振动电机可以应用于一般振动机械,如:振动破碎机、振动筛分机、振动打包机、振动落砂机、振动造型机、振动打桩机、振动提升机、振动充填机、料仓的振动破拱防闭塞装置等等。广泛的应用在水电建设、火力发电、建筑、建材、化工、采矿、煤炭、冶金、轻工等工业部门。振动电机除了可以应用与一般振动机械外,还可以组合多种振动形式。如:平旋型,涡旋型,摇动振动型,组合直线型,组合长椭圆型,复合双频型,复合双幅型等。由这些振动形式可以产一些过去所没有的新型振动机械。

    YZS振动电机的特点:

    l、全封闭结构,可在任何无防爆要求、无导电粉尘的条件下工作。

    2、激振力受电源电压波动的影响小,并可根据振动电机的安装方式改变激振力的方向。

    3、只须调整偏心块的夹角,就可无级调整激振力大小,使用和维修方便。

    4、采用强阻型振动,具有稳定的振幅,激振力大,机体重量轻,体积小。

    产品使用条件:

    环境温度:-15~+40℃         电 源:380V,50Hz

    工作方式:Sl           海拔高度:<1000M

    绝缘等级:B、F级          相对湿度:不大于90%(25℃)

    产品型号意义:

    1

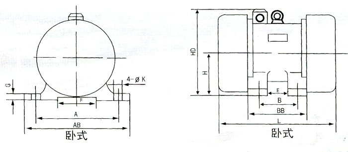
    YZS振动电机平面图:

     

    2

    YZS(YZVP)系列振动电机技术参数及安装尺寸:

    3

    注:YZVP变频振动电机,双速振动电机及JZO振动电机为预定产品,定货前需将最大激振力、额定功率、电源电压、频率、同步转速、工作制等告知。


    新乡市安信11筛分机械制造有限公司—专业的直线振动筛厂家
    新乡市安信11筛分机械制造有限公司—专业的直线振动筛厂家
    新乡市安信11筛分机械制造有限公司—专业的直线振动筛厂家
    新乡市安信11筛分机械制造有限公司—专业的直线振动筛厂家
    了解后你只需做以下几步
    即可拥有为您专业打造的定制产品
    来电咨询
    提供需求
    产品咨询
    实地勘察
    确定设备
    预算报价
    签订合同
    售后服务
    联系我们
  • 联系人:许经理 15537333630
  • 电 话:0373-3339068 
  • 传 真:0373-3339078
  • 邮 箱:hainasf@163.com
  • 地 址:河南省新乡市中科路高湾工业园
  • 网 址:http://ccsb.exit1.cn1
  • 新乡市安信11筛分机械制造有限公司—专业的直线振动筛厂家 All Rights Reserved. 备案号: 豫ICP备18014389号-2 【管理后台】